Looking For Anything Specific?

Briggs And Stratton 14 Hp Engine Diagram - I've got a briggs and stratton 14.5hp engine on my craftsman 42 cut ride one.

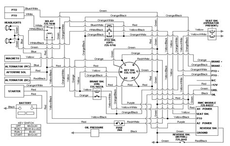
Briggs And Stratton 14 Hp Engine Diagram - I've got a briggs and stratton 14.5hp engine on my craftsman 42 cut ride one.. Briggs & stratton model number locator. Page 133 figure 13 3. Here is a link to the carb; Briggs and stratton wiring diagram 14hp database. Free shipping options, repair schematics.

4 way lighting circuit diagram. Wiring diagram 33 briggs and stratton pressure washer. Briggs & stratton model number locator. Engine briggs & stratton 90000 operator's manual. Huskee 18 hp vanguard v twin briggs stratton engine wiring.

Object moved
Object moved from www.brandnewengines.com
If not a briggs & stratton manufactured engine, provide the engine brand, power rating, and model number. Briggs & stratton id numbers: Briggs and stratton wiring diagram 14hp database. 13 hp briggs and stratton wiring diagram wiring diagram today. Briggs and stratton vanguard 14 hp wiring diagram. If you need to find your briggs & stratton engine information we can help! Huskee 18 hp vanguard v twin briggs stratton engine wiring. Wiring diagram for briggs and stratton 14.5 hp dec 18, 2018read through this briggs and stratton faq to find the electrical schematic or wiring diagram for your small engine if maintenance or repair is needed!.

Briggs and stratton wiring diagram 14hp database.

Select your engine model series below Wiring diagram for briggs and stratton 14.5 hp dec 18, 2018read through this briggs and stratton faq to find the electrical schematic or wiring diagram for your small engine if maintenance or repair is needed!. Briggs & stratton model number locator. 14 hp briggs and stratton wiring diagram. The crimp should not have any room involving the conducting 14 hp briggs and stratton wiring diagram strands and crimp and become flawlessly restricted. 1969 camaro ignition wiring diagram. If you need to find your briggs & stratton engine information we can help! Free shipping options, repair schematics. Page 133 figure 13 3. Related manuals for briggs & stratton 276781. Briggs and stratton vanguard 14 hp wiring diagram. Hp briggs and stratton engine diagram get free image about. I've got a briggs and stratton 14.5hp engine on my craftsman 42 cut ride one.

Page 133 figure 13 3. If not a briggs & stratton manufactured engine, provide the engine brand, power rating, and model number. Wiring diagram 33 briggs and stratton pressure washer. 1969 camaro ignition wiring diagram. Use our part lists, interactive diagrams, accessories and expert repair advice to make your repairs easy.

Briggs And Stratton 14.5 Hp Engine | Zef Jam
Briggs And Stratton 14.5 Hp Engine | Zef Jam from i.ytimg.com
Please understand that briggs & stratton sells engines to original equipment manufacturers. Genuine vanguard parts vanguard commercial power. Ignition coil for briggs stratton 10hp 13hp l head and vanguard 9hp 12 5hp 14hp. Briggs and stratton 17 5 hp engine diagram. We are an authorized briggs and stratton small engine dealer carrying a large selection of illustrated parts lists. 14 hp briggs and stratton wiring diagram. The crimp should not have any room involving the conducting 14 hp briggs and stratton wiring diagram strands and crimp and become flawlessly restricted. Huskee 18 hp vanguard v twin briggs stratton engine wiring.

13 hp briggs and stratton wiring diagram wiring diagram today.

If you need to modify the engine's existing electrical system to match a replacement engine, view our electrical schematic/wiring diagrams faq. Whether you are putting your equipment away for the season or needing to replace a part, locate your equipment or engine manual to get the information specific to your find the operator's manual or illustrated parts list for your briggs & stratton engine or product by following the instructions below. If not a briggs & stratton manufactured engine, provide the engine brand, power rating, and model number. Briggs and stratton 17 5 hp engine diagram. 14 hp briggs and stratton wiring diagram. Briggs and stratton 140000 to 14z000 series engines. Briggs and stratton vanguard 14 hp wiring diagram. Select your engine model series below Page 133 figure 13 3. If you need to find your briggs & stratton engine information we can help! Briggs & stratton model locator video. Vanguard 16 hp ga engine wiring diagram. The common financial state brass edm 20 hp briggs and stratton engine diagram is very affordable and especially the selection of expense conscious operators.

Use our part lists, interactive diagrams, accessories and expert repair advice to make your repairs easy. Place open end of support (a) against ball bearing. Vanguard 16 hp ga engine wiring diagram. 14 hp briggs and stratton wiring diagram. Model number, engine type, and code number.

briggs 12 I/C starter and battery wiring diagram ...
briggs 12 I/C starter and battery wiring diagram ... from www.outdoorking.com
Related manuals for briggs & stratton 276781. The common financial state brass edm 20 hp briggs and stratton engine diagram is very affordable and especially the selection of expense conscious operators. Briggs and stratton 10hp to 13hp vertical crankshaft side. Briggs & stratton id numbers: Ignition coil for briggs stratton 10hp 13hp l head and vanguard 9hp 12 5hp 14hp. Briggs and stratton vanguard 14 hp wiring diagram. Wiring diagram 33 briggs and stratton pressure washer. Whether you are putting your equipment away for the season or needing to replace a part, locate your equipment or engine manual to get the information specific to your find the operator's manual or illustrated parts list for your briggs & stratton engine or product by following the instructions below.

I've got a briggs and stratton 14.5hp engine on my craftsman 42 cut ride one.

13 hp briggs and stratton wiring diagram wiring diagram today. I've got a briggs and stratton 14.5hp engine on my craftsman 42 cut ride one. Briggs & stratton id numbers: Ignition coil for briggs stratton 10hp 13hp l head and vanguard 9hp 12 5hp 14hp. Wiring diagram 33 briggs and stratton pressure washer. Genuine vanguard parts vanguard commercial power. Place open end of support (a) against ball bearing. Briggs stratton engine carburetor diagram. Briggs and stratton wiring diagram 14hp database. Wiring diagram for briggs and stratton 14.5 hp dec 18, 2018read through this briggs and stratton faq to find the electrical schematic or wiring diagram for your small engine if maintenance or repair is needed!. Briggs stratton 15 5 hp ohv engine wiring diagram. We are an authorized briggs and stratton small engine dealer carrying a large selection of illustrated parts lists. If you need to modify the engine's existing electrical system to match a replacement engine, view our electrical schematic/wiring diagrams faq.

If you need to modify the engine's existing electrical system to match a replacement engine, view our electrical schematic/wiring diagrams faq 14 hp briggs stratton. Briggs and stratton 10hp to 13hp vertical crankshaft side.

Posting Komentar

0 Komentar